Гильза кабельная алюмомедная гам 185/150 КВТ 51027
Гильза кабельная алюмомедная гам 185/150 КВТ 51027
(893)
Код: 1988090
На страницу производителя
Артикул
51027
Статус:
В наличииНаличие на складе: 120 штНа складе поставщика: 0 шт Время поставки: 4 дня
Цена
9 732.60 руб.
От 25 000
9 478.70 руб.
От 100 000
9 140.20 руб.
Категория: Соединительные гильзы
Описание 51027
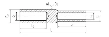
Предназначены для соединения опрессовкой алюминиевых и медных жил. Материал - электротехнический алюминий марки АД1 и медь марки М1, Рабочее напряжение до 10 кВ. Медная и алюминиевая части гильзы соединены между собой методом фрикционной сварки и обеспечивают контакт металлов на молекулярном уровне. Гильзы имеют внутреннюю перегородку, определяющую глубину захода кабельных жил и выполняющую функцию масляного стопора. Конструкция гильз ГАМ 'КВТ' предусматривает редукционный переход на меньшее сечение с алюминиевого кабеля на медный при сохранении токовой нагрузки
Предназначены для соединения опрессовкой алюминиевых и медных жил. Материал - электротехнический алюминий марки АД1 и медь марки М1, Рабочее напряжение до 10 кВ. Медная и алюминиевая части гильзы соединены между собой методом фрикционной сварки и обеспечивают контакт металлов на молекулярном уровне. Гильзы имеют внутреннюю перегородку, определяющую глубину захода кабельных жил и выполняющую функцию масляного стопора. Конструкция гильз ГАМ 'КВТ' предусматривает редукционный переход на меньшее сечение с алюминиевого кабеля на медный при сохранении токовой нагрузки
| Общие | |
|---|---|
| Страна | |
| Тип | Гильза соединительная |
| Способ монтажа | Опрессовка |
| Материал | Алюминий |
| Диапазон сечений | 185 |
| Длина, мм | 125 |
| Масса, кг | 0.02 |
| Напряжение, В | 35000 |
| Диаметр наружный, мм | 23/27 |
| Диаметр внутренний, мм | 17x18.6 |
| Сечение жилы, мм2 | |
| Высота, мм | 27 |
| Нормативный документ | ТУ 3449-017-59861269-2004 |
| Номинальное напряжение, кВ | 10 |
| Покрытие | Без покрытия |
| Ширина, мм | 27 |
| Сфера применения | для соединения алюминиевых и медных жил |
В интернет-магазине олми-коннект можно купить Гильза кабельная алюмомедная гам 185/150 КВТ 51027 артикул: 51027 по цене от 914.02 до 973.26 рублей. Менеджеры ответят на вопросы, дадут подробную информацию по характеристикам .
Отзывы о Гильза кабельная алюмомедная гам 185/150 КВТ 51027 )
Похожие товары
: 43786
: 08-0712
: По запросу
REXANT 08-0712 СОЕДИНИТЕЛЬНАЯ ГИЛЬЗА (СГ L-15мм) 0.5-1.5кв.мм (BN1.25)
Оставить отзыв
Чтобы оставить отзыв, зарегистрируйтесь или авторизуйтесь.
Ваш браузер устарел рекомендуем обновить его до последней версии
или использовать другой более современный.
или использовать другой более современный.
Обратный звонок
Вы можете заказать Тестирование СКС в компании
Olmi-Connect, заполнив эту простую форму
Olmi-Connect, заполнив эту простую форму
Наши менеджеры свяжутся с Вами и проконсультируют по всем имеющимся вопросам. Поля, обязательные для заполнения, помечены звездочкой (*).
Вы можете заказать Обратная связь со страницы Услуги в компании Olmi-Connect, заполнив эту простую форму
Наши менеджеры свяжутся с Вами и проконсультируют по всем имеющимся вопросам. Поля, обязательные для заполнения, помечены звездочкой (*).
Вы не вошли в систему
Восстановление доступа
Запрос на восстановление доступа отправлен. Письмо для сброса пароля придет на
вашу почту в течение 1 минуты
Товар добавлен в корзину!
В корзине 0 товар на сумму 0 :
Товар добавлен в избранное!
В избранном 0 товаров
Товар добавлен к сравнению!
В сравнении 0 товаров












